Heee, volgens mij hebben we die knipperlichten eerder langs zien komen..Sonab schreef: ↑vr 10 sep, 2021 12:46Ja, ik lees elders dat de knipperlichten er ook op zitten, maar die doen het dan weer wel gewoon op het moment dat de ramen en het dak geen kik geven
Saab 9-3 cabrio van Sonab (wat is dagwaarde)
-
reiernumans
- Donateur (2x)

Re: Saab 9-3 cabrio van Sonab ... schakelaar ding :-/
-
9323
- Donateur (2x)

Re: Saab 9-3 cabrio van Sonab ... schakelaar ding :-/
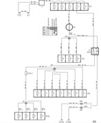
Als dat zo is - dat is hetzelfde circuit als de ontsteking. Daar zit dus ook het contactblokje op en het relais. Dus het contactblokje blijft verdacht, maar het relais ook.sterkstromer schreef: ↑vr 10 sep, 2021 13:33Volgens mij zitten de ramen op de +54, net als bijvoorbeeld de 12V-plug (aansteker).
http://www.saabwiki.info/index.php?titl ... Relay_Tray
https://www.saabcentral.com/threads/ign ... tc.341378/
-
sterkstromer
- Donateur

-
9323
- Donateur (2x)

Re: Saab 9-3 cabrio van Sonab ... schakelaar ding :-/
Ah dan moet het dus het blokje zijn. Best mogelijk dat t zo is uitgesleten dat schoonmaken niet meer helpt.
-
Sonab
- Donateur (4x)

Re: Saab 9-3 cabrio van Sonab ...
Dank voor iedereen die met me meedacht en hielp.
Intussen is het contactblokje vervangen en alles lijkt weer te werken zoals vanouds.
Nog even snel een beetje nazomeren nu
Intussen is het contactblokje vervangen en alles lijkt weer te werken zoals vanouds.
Nog even snel een beetje nazomeren nu
-
Sonab
- Donateur (4x)

Re: Saab 9-3 cabrio van Sonab ...
Afgelopen week het dak even heel geod gereinigd. Daarna gisteravond het dak geïmpregneerd met Fabsil (Gold).
Best wel een werkje, dat spul is waterdun. Ik heb denk ik wel 700ml gebruikt.
Nu ben ik heel benieuwd hoe het eruit ziet als het regent!
Best wel een werkje, dat spul is waterdun. Ik heb denk ik wel 700ml gebruikt.
Nu ben ik heel benieuwd hoe het eruit ziet als het regent!
-
Vincent9-3
- Donateur

Re: Saab 9-3 cabrio van Sonab ...
Mooi! Ik heb 1 liter gebruikt voor twee lagen!Sonab schreef:Afgelopen week het dak even heel geod gereinigd. Daarna gisteravond het dak geïmpregneerd met Fabsil (Gold).
Best wel een werkje, dat spul is waterdun. Ik heb denk ik wel 700ml gebruikt.
Nu ben ik heel benieuwd hoe het eruit ziet als het regent!
-
Sonab
- Donateur (4x)

Re: Saab 9-3 cabrio van Sonab ...
Kan het inmiddels bevestigen! Elke druppel parelt er zomaar op/af, doek lijkt totaal niet nat te worden zoals voorheen.
-
Sonab
- Donateur (4x)

Re: Saab 9-3 cabrio van Sonab ...
Heb van een liefhebber een Saab middenarmsteun kunnen overnemen.
Montage zou eenvoudig moeten zijn, dacht ik (maar zie onderstaand...)
Denk alleen nog wel dat ik hem zal verven (dit exemplaar is antraciet, leder in m'n saab is beige).
Lastiger is echter dat ik de montage niet snap. Het bevestigingspunt van de steun (met gaten) ijkt anders dan het klepje dat hij moet vervangen (zonder gaten):

Montage zou eenvoudig moeten zijn, dacht ik (maar zie onderstaand...)
Denk alleen nog wel dat ik hem zal verven (dit exemplaar is antraciet, leder in m'n saab is beige).
Lastiger is echter dat ik de montage niet snap. Het bevestigingspunt van de steun (met gaten) ijkt anders dan het klepje dat hij moet vervangen (zonder gaten):

-
Orphy
- Donateur (5x)

Re: Saab 9-3 cabrio van Sonab ... armsteun
Is toch een kwestie van oud klepje eraf en nieuwe erop.
Ik heb deze denk ik nog wel een beige liggen, als je wil dan ruilen we ze gewoon om en hoef je niet te verven.
Ik heb deze denk ik nog wel een beige liggen, als je wil dan ruilen we ze gewoon om en hoef je niet te verven.
-
Matti9
- Geregistreerd lid
Re: Saab 9-3 cabrio van Sonab ... armsteun
Montage is echt klepje eraf, armsteun er op (net zelf gedaan). Bestaan zelfs nog wel you tube filmpjes van (armrest Saab). Met grote platte schroevendraaier eea open maken, klik je t er zo af. Mijn steun was wel beige, maar beschadigd (hopelijk netjes te krijgen met colourlock). Als ik jou was, zou ik al onderweg zijn naar Ronald voor armsteun in de juiste kleur
..
-
Sonab
- Donateur (4x)

Re: Saab 9-3 cabrio van Sonab ... armsteun
Ik ga eens even peuteren nog in de Caab. Maar op youtube had ik al gezocht met deze zoekwoorden en vond alleen maar instructies voor de 9-3ss, vandaar.
Edit: heb hem voor het oog vast eens even gemonteerd. Dat was inderdaad echt heel simpel.
Was op t verkeerde been door de blinde afdekking van het scharnier die de standaard klep wel heeft en de armsteun niet.
Daar ga ik een paar zwarte afdekdopjes voor bedenken...

Edit: heb hem voor het oog vast eens even gemonteerd. Dat was inderdaad echt heel simpel.
Was op t verkeerde been door de blinde afdekking van het scharnier die de standaard klep wel heeft en de armsteun niet.
Daar ga ik een paar zwarte afdekdopjes voor bedenken...

-
Sonab
- Donateur (4x)

Re: Saab 9-3 cabrio van Sonab ... armsteun
Ik vind het een prettige optie, dat is wel zeker.
Maar omdat de voorstoelen nogal eens naar voren moeten in een cabrio en het allemaal krap past (lees: langs elkaar wrijft) ben ik bang dat een geverfde armsteun wellicht op den duur kaal schuurt op deze plek.
Ergo: de mooie antraciete armsteun is alweer verkocht
En een (wat minder nieuwe) beige armsteun komt mijn kant op. Die gaat wat opgeknapt worden (leuk klusje lijkt me) en dan hoop ik mijn rechterarm naar tevredenheid te kunnen laten rusten bij het toeren
Dat zal me er tegelijk mooi van weerhouden om mijn linkerarm uit het raam te laten bungelen, want dat kan natuurlijk echt niet:

Maar omdat de voorstoelen nogal eens naar voren moeten in een cabrio en het allemaal krap past (lees: langs elkaar wrijft) ben ik bang dat een geverfde armsteun wellicht op den duur kaal schuurt op deze plek.
Ergo: de mooie antraciete armsteun is alweer verkocht
Dat zal me er tegelijk mooi van weerhouden om mijn linkerarm uit het raam te laten bungelen, want dat kan natuurlijk echt niet:

-
Sonab
- Donateur (4x)

Re: Saab 9-3 cabrio van Sonab ... armsteun
De armsteun beviel erg goed, maar de kleur minder.
Met forum hulp verkocht ik de antraciete en kreeg een beige bezorgd. Deze is iets minder qua staat, maar dat is juist een leuk opknapklusje. En het matcht super mooi!

Enige wat een doorn in mijn oog was ,was het open scharnierpunt.
Hoe kun je het nou zo bedenken?

Maar met een.beetje knutselen en spuiten, maakte ik daarvoor twee matzwarte dopjes die er simpelweg inklemmen...


Met forum hulp verkocht ik de antraciete en kreeg een beige bezorgd. Deze is iets minder qua staat, maar dat is juist een leuk opknapklusje. En het matcht super mooi!

Enige wat een doorn in mijn oog was ,was het open scharnierpunt.
Hoe kun je het nou zo bedenken?

Maar met een.beetje knutselen en spuiten, maakte ik daarvoor twee matzwarte dopjes die er simpelweg inklemmen...



