Panne in Umbrië
-
N2024
- Geregistreerd lid
Re: Panne in Umbrië
Ik ook tuning en bij warme motor volgens mij ook zo`n soort probleem. Ik ga dit topic maar `s in de gaten houden...
-
U-Poll
- Donateur (8x)

Re: Panne in Umbrië
Ha - nog een slachtoffer! ...waarschijnlijk dan.N2024 schreef:Ik ook tuning en bij warme motor volgens mij ook zo`n soort probleem. Ik ga dit topic maar `s in de gaten houden...
Heb jij dus ook dat de motor er na een lange, warme en zware rit er plotsklaps me ophoudt? Gewoon in één keer stopt alsof je het contact uit zet?
Bij dit 'Panne in Umbrië' topic is er verder weinig nieuws te melden. Na de 'heatwrap' rond de 3"DP en een brandstofslang rond het draadje van de BDP kabel, is de motor niet meer uitgevallen (na die twee keer in Italië sowieso niet meer). Wél heb ik nu zo'n OBD2/CAN leesding (van Saab-Tuners voor 40 Euro), dus hoop ik aan de ene kant wel dat het ding binnenkort weer eens uitvalt! Ik kan dan onmiddellijk de codes lezen... en man-man wat wil ik dan graag weten wat de codes zijn!!
Na de twee uitvallen, kon de motor niet snel worden uitgelezen, er zaten meerdere dagen tussen (met veel aan/uit zetten). Van Millerman heb ik begrepen dat sommige codes na een aantal keren aan/uitzetten (en dat de storing niet meer voorkomt) automatisch worden gewist.
Hoe langer de uitval nu niet meer voorkomt, des te meer ik denk dat de hypothese dat de BDP simpelweg te warm wordt en daarmee 'buiten spec' komt, de juiste is.
Vriend G-ice had nog eens goed nagedacht en de mogelijkheid aangegeven van een mogelijk 'dichtslaand' slangetje bij de (nieuwe) brandstofpomp. Er zit een Henko in, in de oude behuizing. Omdat Gijs erg goed weet waar hij het over heeft, laat ik vrijdag een flexibel verbindingsslangetje (in het pomphuis) vervangen door een hard plastic versie. Dit is puur om niets aan het toeval over te laten (al wil ik dat slangetje wel van dichtbij bekijken).
Bij het teruglezen van de posts in dit topic, herinner ik me dat twee contacten van de BDP stekker (zit naast het kleppendeksel) een wat ander kleurtje hadden dan de andere twee (er zitten 4 pinnen, waarvan er drie gebruikt worden). Deze heb ik (nog in Italië, na de tweede uitval) goed ingespoten met contactspray. Trouwens, ook de twee stekkers die er naast zaten. Hoplakee.
Mochten er nog vorderingen of inzichten zijn (ook natuurlijk van anderen! Graag toevoegen), dan laat ik die in dit topic weten.
-
N2024
- Geregistreerd lid
Re: Panne in Umbrië
Nou, ik had het afgelopen maandag bij inparkeren in Amsterdam en gisteren toen ik naar huis reed vanaf het vliegveld (is maar 6 minuten). Als ik langzaam rijd wordt de boel gewoon te warm en krijg ik `t probleem.
http://www.jouwkeuken.nl/saab9-5.php en/of viewtopic.php?f=8&t=121275&start=105
http://www.jouwkeuken.nl/saab9-5.php en/of viewtopic.php?f=8&t=121275&start=105
-
Chilly-Pepper
- Donateur

Re: Panne in Umbrië
Ik bedacht me vanmiddag een kleinigheidje van een ander merk ...
Ooit bij een japanees merk met een S de doorgerotte downpipe vervangen... okee geen turbo ding, dat niet maar toch... viel mij toen op dat de downpipe of vuurpijp een dubbel wandige was......navraag bij de S dealert leerde mij toen dat dit om 2 redenen was..... warmte isolatie en geluid...
Kan me ook herinneren dat sommige doehetzelfklusserts (waar ik ook 1 van was en ben) met een combi spuitstuk/downpipe die niet dubbelwandig was, regelmatig leuke puzzeltjes hadden met idioote storingen..
nu mijn punt.... Als je nu een extra warmte schild aanbrengt om je DP, beginnend royaal voor de sensor en eindigend royaal achter je sensor....
Geen idee of dat passend te maken is....maar misschien indien slim geconstrueerd een oplossing?
Je kan het ook omdraaien.... een royaal hitte schild om je sensor zetten...slim gemaakt met wat luchtkoeling.....
het is dan ook maar een idee...
Ooit bij een japanees merk met een S de doorgerotte downpipe vervangen... okee geen turbo ding, dat niet maar toch... viel mij toen op dat de downpipe of vuurpijp een dubbel wandige was......navraag bij de S dealert leerde mij toen dat dit om 2 redenen was..... warmte isolatie en geluid...
Kan me ook herinneren dat sommige doehetzelfklusserts (waar ik ook 1 van was en ben) met een combi spuitstuk/downpipe die niet dubbelwandig was, regelmatig leuke puzzeltjes hadden met idioote storingen..
nu mijn punt.... Als je nu een extra warmte schild aanbrengt om je DP, beginnend royaal voor de sensor en eindigend royaal achter je sensor....
Geen idee of dat passend te maken is....maar misschien indien slim geconstrueerd een oplossing?
Je kan het ook omdraaien.... een royaal hitte schild om je sensor zetten...slim gemaakt met wat luchtkoeling.....
het is dan ook maar een idee...
-
U-Poll
- Donateur (8x)

Re: Panne in Umbrië
Te veel pepertjes!? 
Het zit wel in lijn met mijn vermoeden.
Het enige wat mij niet lekker zit aan deze "te warme BDP sensor" hypothese is dat een aantal (zwaar) getunede medeforummers (zoals Evo en Millerman) hier nog nooit last van hebben gehad... en ik geloof dat deze mannen hun auto af en toe eens flink uitlaten! Bovendien kennen ze alle ins en outs van een T7 motor! Mijn enige magere antwoord daarop is dat mijn uitval steeds (twee keer dus) gebeurde na een langdurige, zware belasting bij warme buitenomstandigheden EN dat er op dat moment weinig rijwind was. ... ik weet het, dit is niet een erg sterk verhaal.
Het zit wel in lijn met mijn vermoeden.
Het enige wat mij niet lekker zit aan deze "te warme BDP sensor" hypothese is dat een aantal (zwaar) getunede medeforummers (zoals Evo en Millerman) hier nog nooit last van hebben gehad... en ik geloof dat deze mannen hun auto af en toe eens flink uitlaten! Bovendien kennen ze alle ins en outs van een T7 motor! Mijn enige magere antwoord daarop is dat mijn uitval steeds (twee keer dus) gebeurde na een langdurige, zware belasting bij warme buitenomstandigheden EN dat er op dat moment weinig rijwind was. ... ik weet het, dit is niet een erg sterk verhaal.
-
Bengster
- Geregistreerd lid
Re: Panne in Umbrië
Juist het gebrek aan rijwind koeling kan een enorm verschil maken, die downpipe wordt net zo heet in Nederland als in Spanje bij zeer zware belasting (= functie van de hoeveelheid benzine verbrand in de motor minus wat afkoeling ). De grootste factor van belang in dit scenario is denk ik de hoeveelheid verse lucht die de warmte kan afvoeren daar in het motorruim. De warmte(convectie / straling) naar alle componenten rond die downpipe wordt bij voldoende rijwind gewoon veel beter afgevoerd. Vergeet ook niet dat de lucht boven het wegdek in dat soort warme landen makkelijk >40 C is, waardoor je warmte afvoer ook een stuk slechter is.U-Poll schreef:Te veel pepertjes!?
Mijn enige magere antwoord daarop is dat mijn uitval steeds (twee keer dus) gebeurde na een langdurige, zware belasting bij warme buitenomstandigheden EN dat er op dat moment weinig rijwind was. ... ik weet het, dit is niet een erg sterk verhaal.
-
N2024
- Geregistreerd lid
Re: Panne in Umbrië
Ik denk dat een tekort aan rijwind wel `s de oorzaak kan zijn. Als de snelle jongens hun vermogen gebruiken hebben ze ook veel luchtkoeling. Als je in vrij warm weer door de binnenstad rijdt of in de file kan de motor gewoon slecht koelen.
-
millerman
- Donateur (3x)

Re: Panne in Umbrië
Nope, mijn ergste ervaring was met slechte radiator. Motortemperaturen boven 110-115 en zelfs een keer 120 graden. Intussen wel vol gas door de Eifel, waarbij haarspeldbochten meer voorkomen dan stukken waar je 200 kan. Geen rijwind, helling opwaarts, slechte motorkoeling, buitentemperatuur van bijna 30 graden, vol gas, vol remmen, weer vol gas etc. En mijn BDP heb ik nog nooit vervangen. Die zit er dus al minstens 170.000km in.
-
U-Poll
- Donateur (8x)

Re: Panne in Umbrië
Sytze - precies dat zit mij dus nog dwars (net als Evo's uitwonen van zijn brik) - en dan geen problemen hebben met de BDP.
Vreemde vraag: maar rij jij nog met die 'spat-onderplaat' onder het motorcompartiment (dus dat kunststof ding in het verlengde van de bumper)? Vreemde vraag #2: rij jij met die sierplaat/kap over het gasklephuis?
Vreemde vraag: maar rij jij nog met die 'spat-onderplaat' onder het motorcompartiment (dus dat kunststof ding in het verlengde van de bumper)? Vreemde vraag #2: rij jij met die sierplaat/kap over het gasklephuis?
-
millerman
- Donateur (3x)

Re: Panne in Umbrië
Kap over het gasklephuis is er vanaf. Paste niet lekker met alle LPG-meuk, dus maar gewoon weggelaten in plaats van elke keer wrikken. Spatplaten onderop heb ik wel nog, maar de mijne zijn iets anders door de Hirsch-bumper.
-
Ted raket
- Geregistreerd lid
Re: Panne in Umbrië
@ U-poll
Doen beide koelventilatoren het wel naar behoren. Stel me zo voor dat mocht de linker ventilator het niet doen dat je bij lage snelheden aan die kant een behoorlijke warmte ophoping kan krijgen zonder dat direct de koeltemperatuur te veel oploopt door de wel functionerende rechter ventilator.
Doen beide koelventilatoren het wel naar behoren. Stel me zo voor dat mocht de linker ventilator het niet doen dat je bij lage snelheden aan die kant een behoorlijke warmte ophoping kan krijgen zonder dat direct de koeltemperatuur te veel oploopt door de wel functionerende rechter ventilator.
-
U-Poll
- Donateur (8x)

Panne in Umbrië
Hmmm Ted - wát een listige opmerking! Geen idee eigenlijk. Ik weet dat minstens één van die dingen het doet, maar dus niet of ze het beiden nog doen. Hoe kan ik dit zelf controleren? Dus sensor, signaal, bentolator. Of kan ik dat beter door de garage laten doen?
-
Ted raket
- Geregistreerd lid
Re: Panne in Umbrië
Met tech2 kan de de garage die dingen testen. Zelf kun je zorgen dat de motor zo heet wordt dat de ventilatoren inslaan. Doe dan de motorkap open en controleer.
-
christaero
- Donateur

Re: Panne in Umbrië
Als maar een ventilator het doet, en je geeft volgas, en je hebt de standaard koelslangen, dan kan er één slang aan barrels gaan met als gevolg een lege koelvloeistoftank en een erg mistig achteruitzicht...
Zelf ondervonden
(2x
) De garage heeft met Tech2 de auto uitgelezen, en kwam tot de ontdekking dat de eerste ventilator niet aansloeg bij 94 graden. Dit in orde gemaakt, geen problemen meer gehad.
Zelf ondervonden
-
U-Poll
- Donateur (8x)

Re: Panne in Umbrië
Ga ik (laten) doen!Ted raket schreef:Met tech2 kan de de garage die dingen testen. Zelf kun je zorgen dat de motor zo heet wordt dat de ventilatoren inslaan. Doe dan de motorkap open en controleer.
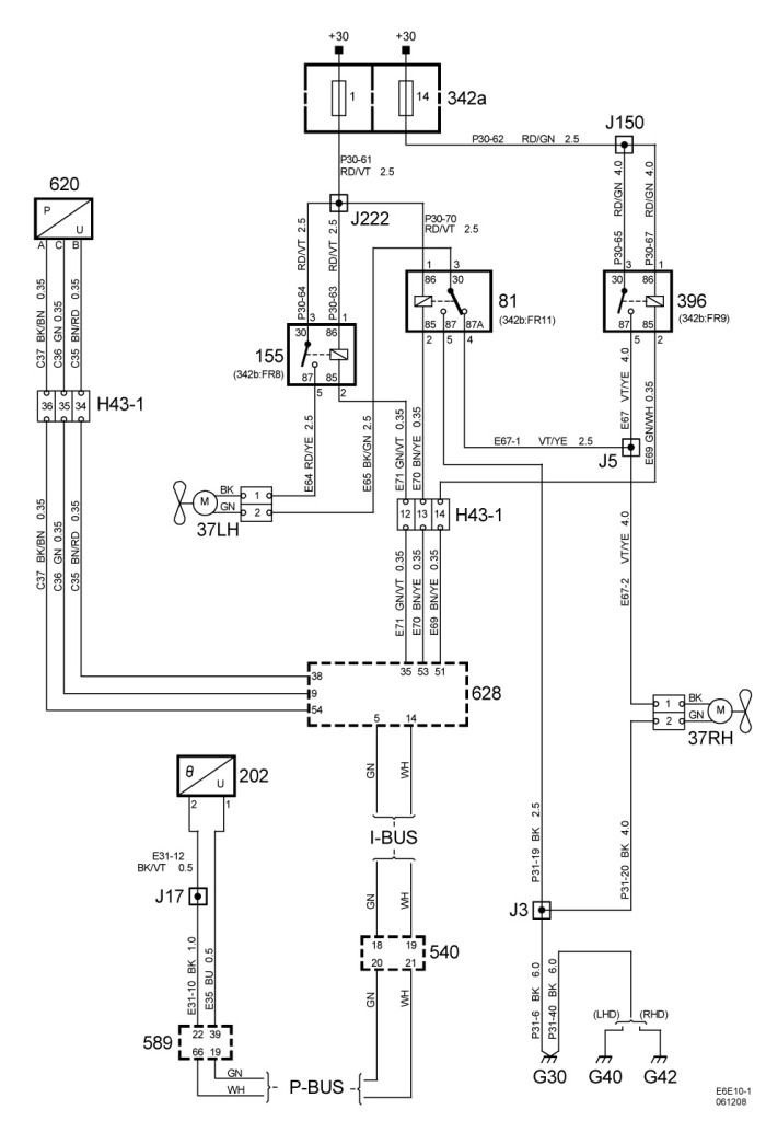
Net heb ik even in de WIS zitten kijken (o-wee de onwetenden!) en er zit, zo te zien, maar één temperatuursensor in (#202 in het schema hieronder, ding zit op/in de linkerwand cilinderkop en meet de temperatuur van de koelvloeistof). Deze zal een analoog signaal via de P-bus aan de computer doorgeven (jammer, niet simpel te overbruggen zoals vroeger). Er zitten in het totaal drie relais voor de koelventilatoren (allen in dat relaiskastje):
(1) lage toeren voor de beide ventilatoren (#155 in het schema)
(2) hoge snelheid voor de linker ventilator (#81 in het schema)
(2) hoge snelheid voor de rechter ventilator (#396 in het schema)
Weet iemand hoe deze dingen 'opschakelen' bij een warmer wordende motor (en grofweg bij welke temperatuur)? Ik vermoed zelf de volgorde: 1-2-3 of 1-3-2. Als ik dat weet, dan kan ik als eerste snelle diagnose er gewoon naast gaan staan als de motor draait.
